一、LZMJ1-10Q、LZM1-10Q全封閉電流互感器型號含義
LMZJ1-10Q,LMZJ1-10電流互感器為環氧樹脂澆注絕緣母線式全封閉產品,適用于額定頻率50Hz或60Hz、額定電壓10kV及以下的電力系統中,作電能計量、電流測量和繼電保護用,本產品符合IEC60044-1及GB1208《電流互感器》標準。本系列電流互感器為環氧樹脂澆注絕緣全封閉母線式結構。鐵心為圓環形,二次繞組均勻地繞在鐵心,用環氧樹脂澆注成型,澆注體固定在穿墻安裝板上。
二、LZMJ1-10Q、LZM1-10Q全封閉電流互感器電流比
1、額定絕緣水平:12/42/75kV
2、額定二次電流:5A
3、額定一次電流、準確級組合及額定輸出見表
4、污穢等級:Ⅱ級

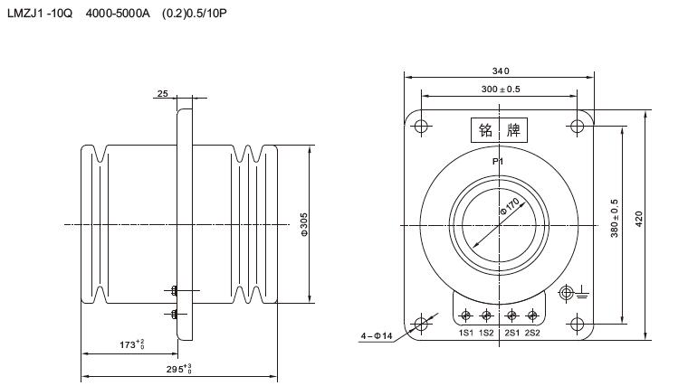
三、LZMJ1-10Q、LZM1-10Q全封閉電流互感器外形及安裝尺寸
四、LZMJ1-10Q、LZM1-10Q全封閉電流互感器原理
是依據電磁感應原理的。電流互感器是由閉合的鐵心和繞組組成。它的一次繞組匝數很少,串在需要測量的電流的線路中,因此它經常有線路的全部電流流過,二次繞組匝數比較多,串接在測量儀表和保護回路中,電流互感器在工作時,它的2次回路始終是閉合的,因此測量儀表和保護回路串聯線圈的阻抗很小,電流互感器的工作狀態接近短路。
五、LZMJ1-10Q、LZM1-10Q全封閉電流互感器使用原則
1)電流互感器的接線應遵守串聯原則:即一次繞阻應與被測電路串聯,而二次繞阻則與所有儀表負載串聯
2)按被測電流大小,選擇合適的變比,否則誤差將增大。同時,二次側一端必須接地,以防絕緣一旦損壞時,一次側高壓竄入二次低壓側,造成人身和設備事故
3)二次側絕對不允許開路,因一旦開路,一次側電流I1全部成為磁化電流,引起φm和E2驟增,造成鐵心過度飽和磁化,發熱嚴重乃至燒毀線圈;同時,磁路過度飽和磁化后,使誤差增大。電流互感器在正常工作時,二次側與測量儀表和繼電器等電流線圈串聯使用,測量儀表和繼電器等電流線圈阻抗很小,二次側近似于短路。CT二次電流的大小由一次電流決定,二次電流產生的磁勢,是平衡一次電流的磁勢的。若突然使其開路,則勵磁電動勢由數值很小的值驟變為很大的值,鐵芯中的磁通呈現嚴重飽和的平頂波,因此二次側繞組將在磁通過零時感應出很高的尖頂波,其值可達到數千甚至上萬伏,危及工作人員的安全及儀表的絕緣性能。
另外,二次側開路使二次側電壓達幾百伏,一旦觸及將造成觸電事故。因此,電流互感器二次側都備有短路開關,防止二次側開路。在使用過程中,二次側一旦開路應馬上撤掉電路負載,然后,再停電處理。一切處理好后方可再用。
4)為了滿足測量儀表、繼電保護、斷路器失靈判斷和故障濾波等裝置的需要,在發電機、變壓器、出線、母線分段斷路器、母線斷路器、旁路斷路器等回路中均設2~8個二次繞阻的電流互感器。
5)對于保護用電流互感器的裝設地點應按盡量消除主保護裝置的不保護區來設置。例如:若有兩組電流互感器,且位置允許時,應設在斷路器兩側,使斷路器處于交叉保護范圍之中
6)為了防止支柱式電流互感器套管閃絡造成母線故障,電流互感器通常布置在斷路器的出線或變壓器側
7)為了減輕發電機內部故障時的損傷,用于自動調節勵磁裝置的電流互感器應布置在發電機定子繞組的出線側。為了便于分析和在發電機并入系統前發現內部故障,用于測量儀表的電流互感器宜裝在發電機中性點側。
六、LZMJ1-10Q、LZM1-10Q全封閉電流互感器選型推薦
LZZBJ12-10A、B、C LZZB-10 LZZBJ9-10A1G、B1、C1 LZZB9-24/220b/2
LZZBJ4-35 LZZB9-35D LA(J)-10Q LMZK-10PU
LZZB7-35 LZZ(J)B6-10Q LZZJ-10Q LZJC-10
LZJ8-10Q LQJ8-10Q LFS-10Q LMZ(J)1-10Q
LAZBJ-10Q LFZB(J)8-10A2、B2 LDJ-10(Q)/210-L,Y LZCT-10C
七、LA-10穿墻式電流互感器廠家-浙江中拓高壓電器簡介
浙江中拓高壓電器有限公司是一家主要從事研發、生產銷售110kV及以下戶內外高低壓互感器,鐵芯、絕緣件的專業廠家。公司的10-35kV戶內外互感器,銷遍全國各地,遠銷海外多個國家和地區,深受廣大用戶信賴和好評,10kV真空斷路器用互感器已成為國內柱上開關生產企業最優選擇合作單位。2007年自主研發的主推產品LZW32-10(12)型戶外保護用電流互感器,是目前國內同類型配套互感器主要生產商。聯系電話:13868715829,商務QQ:40378900,歡迎來電咨詢定制。