JDZW3-3、JDZW3-6、JDZW3-10戶外電壓互感器適用于戶外、為戶外環氧樹脂澆注絕緣全封閉式結構、額定頻率為 50Hz 或60Hz、額定電壓分別為3、6、10kV的電力系統中,作電能計量、電壓監測和繼電保護用。

二、JDZW3-3、JDZW3-6、JDZW3-10戶外電壓互感器參數
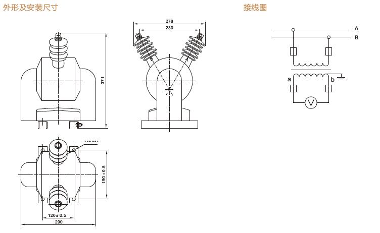
三、JDZW3-3、JDZW3-6、JDZW3-10戶外電壓互感器外形及安裝尺寸
四、JDZW3-3、JDZW3-6、JDZW3-10戶外電壓互感器接線圖
五、JDZW3-3、JDZW3-6、JDZW3-10戶外電壓互感器結構特點
本產品為全封閉結構,采用戶內環氧樹脂真空澆注而成,具有耐電弧、耐紫外線、耐老化等特點。外形采用防雨傘群,表面爬電距離大,二次出現端子加有金屬保護罩密封,防雨、防塵、耐腐蝕,是老式油浸產品的理想替代品。
六、JDZW3-3、JDZW3-6、JDZW3-10戶外電壓互感器工作條件
1、環境溫度:最高溫度45℃,平均溫度不超過30℃,最低溫度:-45℃。
2、海拔高度不超過1000M(超過請著明)
3、接地方式:中性點非有效接地系統
4、大氣條件:無嚴重污染
七、JDZW3-3、JDZW3-6、JDZW3-10戶外電壓互感器技術參數
1、額定絕緣水平:3.6/23/40KV/7.2/32/60,12/42/75
2、負荷的功率因數:cosφ=0.8(滯后)
3、表面爬電距離:大于530MM
4、產品標準:GB1208-2006《電磁式電壓互感器》
七、JDZW3-3、JDZW3-6、JDZW3-10戶外電壓互感器注意事項
1、電壓互感器一次有電流時,二次繞組不能短路,否則互感器將燒毀。
2、一次繞組的重復工頻耐壓,試驗應在規定試驗電壓值得80%以下進行
八、JDZW3-3、JDZW3-6、JDZW3-10戶外電壓互感器訂貨須知
訂貨時須注出額定電壓比,級次組合、額定輸出、極限輸出等
九、JDZW3-3、JDZW3-6、JDZW3-10戶外電壓互感器選型推薦
JDZ16-3、6、10?????? JDZ(X)-10????? JDZW-10R????? JDZ(X)10-3、6、10A1(G)
JDZX9-35?????????? JDZW-20R?????? JDZW-10R???? JDZW3-3、6、10
JDZXW-35????????? JDZ16-3、6、10??? JDZ(X)W-35(G)??? JDZ(J)-3、6、10Q
JDZX10-3、6、10?? JDZ10-3、6、10A1??? JDZX9-3、6-10Q(G)? JDZX9-3、6-10Q
JDZX18-3、6、10R1??? JDZ(X)11-15、20(G)??? JDZZW-10?? JDZZW-10
JDZ(X)10-3、6、10A1(G)?? JDZ(X)W-10??? JDZW-20R?? JDZW3-3、6、10?? JDZXW-35
十、浙江中拓戶外電壓互感器生產廠家介紹
浙江中拓高壓電器有限公司成立于2006年,專用于ZW32真空斷路器的戶外保護用電流互感器LZW32-10(12)系列,是我們的主推產品,是目前國內同類配套互感器最優生產商。2012年推出了更新換代產品LJ-ZW32-10型戶外零序保護一體式互感器,擁有多項自主知識產權,LJZW32型電流互感器是我公司為電力系統智能化、輕量化,特殊研制的新型專利產品。體積小、重量輕,組合非常合理。可實現A、B、C三相計(測)量、保護及零序接地保護。成功為國家電網、南方電網智能化發展做出了應有的技術支持。主要國內客戶有北京雙杰,北京合瑞,北京合縱,施耐德陜西寶光,廣東長園,廣東阿爾派,河南森源,湖北網安,江蘇宏達,江蘇丹通,江蘇科宇,上海東自,天正集體,浙江巨力,浙江伏安特,登高電氣,紅光集團……國網南網招標配套占有率非常高,我們將是您好的選擇,選擇我們就是選擇了質量和服務。
?